 
		 
 
	 
  
 
手機購
更方便
	 
 
	 
 
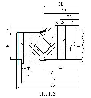
	單排交叉滾柱式外齒型回轉支承
結構特點、性能、適用范圍 
       單排交叉滾柱式回轉支承,由兩個座圈組成,結構緊湊、重量輕、制造精度高,裝配間隙小,對安裝精度要求高,滾柱為1:1交叉排列,能同時承受軸向力,傾翻力矩和較大的徑向力,被廣泛地用于起重運輸、工程機械和軍工產品上。
       回轉支承具有獨特的承載特性,通常用于起重設備,挖掘機,轉臺,風力渦輪機,望遠鏡和油罐轉塔。 
       通過改進加工方法和設計升級,現有的回轉支承可用于更小,更復雜和更準確的應用。 
 
	 
	 
						序號 
					 
						外齒式 
						外型尺寸 
					 
						安裝尺寸 
					 
						結構尺寸 
					 
						齒輪參數 
					 
						齒輪圓周力 
					 
						參考 
						D 
						d 
						H 
						D1 
						D2  
						n 
					 
						mm 
					 
						dm 
						L 
						n1 
						D3 
						d1 
						H1 
						h 
						b 
						x 
					 
						m 
						De 
						z 
					 
						正火 
						調質 
						1 
					 
						111.25.500 
					 
						602 
					 
						398 
					 
						75 
					 
						566 
					 
						434 
					 
						20 
					 
						18 
					 
						M16 
					 
						32 
					 
						4 
					 
						498 
					 
						502 
					 
						65 
					 
						10 
					 
						60 
					 
						0.5 
					 
						5 
					 
						629 
					 
						123 
					 
						3.7 
					 
						5.2 
					 
						80 
					 
						112.25.500 
					 
						6 
					 
						628.8 
					 
						102 
					 
						4.5 
					 
						6.2 
					 
						2 
					 
						111.25.560 
					 
						662 
					 
						458 
					 
						75 
					 
						626 
					 
						494 
					 
						20 
					 
						18 
					 
						M16 
					 
						32 
					 
						4 
					 
						558 
					 
						562 
					 
						65 
					 
						10 
					 
						60 
					 
						0.5 
					 
						5 
					 
						689 
					 
						135 
					 
						3.7 
					 
						5.2 
					 
						90 
					 
						112.25.560 
					 
						6 
					 
						688.8 
					 
						112 
					 
						4.5 
					 
						6.2 
					 
						3 
					 
						111.25.630 
					 
						732 
					 
						528 
					 
						75 
					 
						696 
					 
						564 
					 
						24 
					 
						18 
					 
						M16 
					 
						32 
					 
						4 
					 
						628 
					 
						632 
					 
						65 
					 
						10 
					 
						60 
					 
						0.5 
					 
						6 
					 
						772.8 
					 
						126 
					 
						4.5 
					 
						6.2 
					 
						100 
					 
						112.25.630 
					 
						8 
					 
						774.4 
					 
						94 
					 
						6 
					 
						8.3 
					 
						4 
					 
						111.25.710 
					 
						812 
					 
						608 
					 
						75 
					 
						776 
					 
						644 
					 
						24 
					 
						18 
					 
						M16 
					 
						32 
					 
						4 
					 
						708 
					 
						712 
					 
						65 
					 
						10 
					 
						60 
					 
						0.5 
					 
						6 
					 
						850.8 
					 
						139 
					 
						4.5 
					 
						6.2 
					 
						110 
					 
						112.25.710 
					 
						8 
					 
						854.4 
					 
						104 
					 
						6 
					 
						8.3 
					 
						5 
					 
						111.28.800 
					 
						922 
					 
						678 
					 
						82 
					 
						878 
					 
						722 
					 
						30 
					 
						22 
					 
						M20 
					 
						40 
					 
						6 
					 
						798 
					 
						802 
					 
						72 
					 
						10 
					 
						65 
					 
						0.5 
					 
						8 
					 
						966.4 
					 
						118 
					 
						6.5 
					 
						9.1 
					 
						170 
					 
						112.28.800 
					 
						10 
					 
						968 
					 
						94 
					 
						8.1 
					 
						11.4 
					 
						6 
					 
						111.28.900 
					 
						1022 
					 
						778 
					 
						82 
					 
						978 
					 
						822 
					 
						30 
					 
						22 
					 
						M20 
					 
						40 
					 
						6 
					 
						898 
					 
						902 
					 
						72 
					 
						10 
					 
						65 
					 
						0.5 
					 
						8 
					 
						1062.4 
					 
						130 
					 
						6.5 
					 
						9.1 
					 
						190 
					 
						112.28.900 
					 
						10 
					 
						1068 
					 
						104 
					 
						8.1 
					 
						11.4 
					 
						7 
					 
						111.28.1000 
					 
						1122 
					 
						878 
					 
						82 
					 
						1078 
					 
						922 
					 
						36 
					 
						22 
					 
						M20 
					 
						40 
					 
						6 
					 
						998 
					 
						1002 
					 
						72 
					 
						10 
					 
						65 
					 
						0.5 
					 
						10 
					 
						1188 
					 
						116 
					 
						8.1 
					 
						11.4 
					 
						210 
					 
						112.28.1000 
					 
						12 
					 
						1185.6 
					 
						96 
					 
						9.7 
					 
						13.6 
					 
						8 
					 
						111.28.1120 
					 
						1242 
					 
						998 
					 
						82 
					 
						1198 
					 
						1042 
					 
						36 
					 
						22 
					 
						M20 
					 
						40 
					 
						6 
					 
						1118 
					 
						1122 
					 
						72 
					 
						10 
					 
						65 
					 
						0.5 
					 
						10 
					 
						1298 
					 
						127 
					 
						8.1 
					 
						11.4 
					 
						230 
					 
						112.28.1120 
					 
						12 
					 
						1305.6 
					 
						106 
					 
						9.7 
					 
						13.6 
					 
						9 
					 
						111.32.1250 
					 
						1390 
					 
						1110 
					 
						91 
					 
						1337 
					 
						1163 
					 
						40 
					 
						26 
					 
						M24 
					 
						48 
					 
						5 
					 
						1248 
					 
						1252 
					 
						81 
					 
						10 
					 
						75 
					 
						0.5 
					 
						12 
					 
						1449.6 
					 
						118 
					 
						11.3 
					 
						15.7 
					 
						350 
					 
						112.32.1250 
					 
						14 
					 
						1453.2 
					 
						101 
					 
						13.2 
					 
						18.2 
					 
						10 
					 
						111.32.1400 
					 
						1540 
					 
						1260 
					 
						91 
					 
						1487 
					 
						1313 
					 
						40 
					 
						26 
					 
						M24 
					 
						48 
					 
						5 
					 
						1398 
					 
						1402 
					 
						81 
					 
						10 
					 
						75 
					 
						0.5 
					 
						12 
					 
						1605.6 
					 
						131 
					 
						11.3 
					 
						15.7 
					 
						400 
					 
						112.32.1400 
					 
						14 
					 
						1607.2 
					 
						112 
					 
						13.2 
					 
						18.2 
					 
						11 
					 
						111.32.1600 
					 
						1740 
					 
						1460 
					 
						91 
					 
						1687 
					 
						1513 
					 
						45 
					 
						26 
					 
						M24 
					 
						48 
					 
						5 
					 
						1598 
					 
						1602 
					 
						81 
					 
						10 
					 
						75 
					 
						0.5 
					 
						14 
					 
						1817.2 
					 
						127 
					 
						13.2 
					 
						18.2 
					 
						440 
					 
						112.32.1600 
					 
						16 
					 
						1820.8 
					 
						111 
					 
						15.1 
					 
						22.4 
					 
						12 
					 
						111.32.1800 
					 
						1940 
					 
						1660 
					 
						91 
					 
						1887 
					 
						1713 
					 
						45 
					 
						26 
					 
						M24 
					 
						48 
					 
						5 
					 
						1798 
					 
						1802 
					 
						81 
					 
						10 
					 
						75 
					 
						0.5 
					 
						14 
					 
						2013.2 
					 
						141 
					 
						13.2 
					 
						18.2 
					 
						500 
					 
						112.32.1800 
					 
						16 
					 
						2012.8 
					 
						123 
					 
						15.1 
					 
						22.4 
					 
						13 
					 
						111.40.2000 
					 
						2178 
					 
						1825 
					 
						112 
					 
						2110 
					 
						1891 
					 
						48 
					 
						33 
					 
						M30 
					 
						60 
					 
						8 
					 
						1997 
					 
						2003 
					 
						100 
					 
						12 
					 
						90 
					 
						0.5 
					 
						16 
					 
						2268.8 
					 
						139 
					 
						18.1 
					 
						25 
					 
						900 
					 
						112.40.2000 
					 
						18 
					 
						2264.4 
					 
						123 
					 
						20.3 
					 
						28.1 
					 
						14 
					 
						111.40.2240 
					 
						2418 
					 
						2065 
					 
						112 
					 
						2350 
					 
						2131 
					 
						48 
					 
						33 
					 
						M30 
					 
						60 
					 
						8 
					 
						2237 
					 
						2243 
					 
						100 
					 
						12 
					 
						90 
					 
						0.5 
					 
						16 
					 
						2492.8 
					 
						153 
					 
						18.1 
					 
						25 
					 
						1000 
					 
						112.40.2240 
					 
						18 
					 
						2498.4 
					 
						136 
					 
						20.3 
					 
						28.1 
					 
						15 
					 
						111.40.2500 
					 
						2678 
					 
						2325 
					 
						112 
					 
						2610 
					 
						2391 
					 
						56 
					 
						33 
					 
						M30 
					 
						60 
					 
						8 
					 
						2497 
					 
						2503 
					 
						100 
					 
						12 
					 
						90 
					 
						0.5 
					 
						18 
					 
						2768.4 
					 
						151 
					 
						20.3 
					 
						28.1 
					 
						1100 
					 
						112.40.2500 
					 
						20 
					 
						2776 
					 
						136 
					 
						22.6 
					 
						31.3 
					 
						16 
					 
						111.40.2800 
					 
						2978 
					 
						2625 
					 
						112 
					 
						2910 
					 
						2691 
					 
						56 
					 
						33 
					 
						M30 
					 
						60 
					 
						8 
					 
						2797 
					 
						2803 
					 
						100 
					 
						12 
					 
						90 
					 
						0.5 
					 
						18 
					 
						3074.4 
					 
						168 
					 
						20.3 
					 
						28.1 
					 
						1250 
					 
						112.40.2800 
					 
						20 
					 
						3076 
					 
						151 
					 
						22.6 
					 
						31.3 
					 
						17 
					 
						111.50.3150 
					 
						3376 
					 
						2922 
					 
						134 
					 
						3286 
					 
						3014 
					 
						56 
					 
						45 
					 
						M42 
					 
						84 
					 
						8 
					 
						3147 
					 
						3153 
					 
						122 
					 
						12 
					 
						110 
					 
						0.5 
					 
						20 
					 
						3476 
					 
						171 
					 
						27.6 
					 
						38.3 
					 
						2150 
					 
						112.50.3150 
					 
						22 
					 
						3471.6 
					 
						155 
					 
						30.4 
					 
						42.1 
					 
						18 
					 
						111.50.3550 
					 
						3776 
					 
						3322 
					 
						134 
					 
						3686 
					 
						3414 
					 
						56 
					 
						45 
					 
						M42 
					 
						84 
					 
						8 
					 
						3547 
					 
						3553 
					 
						122 
					 
						12 
					 
						110 
					 
						0.5 
					 
						20 
					 
						3876 
					 
						191 
					 
						30.4 
					 
						38.3 
					 
						2470 
					 
						112.50.3550 
					 
						22 
					 
						3889.6 
					 
						174 
					 
						30.4 
					 
						42.1 
					 
						19 
					 
						111.50.4000 
					 
						4226 
					 
						3772 
					 
						134 
					 
						4136 
					 
						3864 
					 
						60 
					 
						45 
					 
						M42 
					 
						84 
					 
						10 
					 
						3997 
					 
						4003 
					 
						122 
					 
						12 
					 
						110 
					 
						0.5 
					 
						22 
					 
						4329.6 
					 
						194 
					 
						30.4 
					 
						42.1 
					 
						2800 
					 
						112.50.4000 
					 
						25 
					 
						4345 
					 
						171 
					 
						34.5 
					 
						47.8 
					 
						20 
					 
						111.50.4500 
					 
						4726 
					 
						4272 
					 
						134 
					 
						4636 
					 
						4364 
					 
						60 
					 
						45 
					 
						M42 
					 
						84 
					 
						10 
					 
						4497 
					 
						4503 
					 
						122 
					 
						12 
					 
						110 
					 
						0.5 
					 
						22 
					 
						4835.6 
					 
						217 
					 
						30.4 
					 
						42.1 
					 
						3100 
					 
						112.50.4500 
					 
						25 
					 
						4845 
					 
						191 
					 
						34.5 
					 
						47.8 
					
		
			
 
				 
			
					 
				
					 
				
DL
mm 
					
					 
				
					 
				
					 
				
					 
				
					 
				
					 
			
重量
kg 
					
				 
			
					 
				
mm 
					
					 
				
mm 
					
					 
				
mm 
					
					 
				
mm 
					
					 
				
mm 
					
					 
				
					 
				
					 
				
mm 
					
					 
				
mm 
					
					 
				
mm 
					
					 
				
mm 
					
					 
				
mm 
					
					 
				
mm 
					
					 
				
mm 
					
					 
				
mm 
					
					 
				
					 
				
mm 
					
					 
				
mm 
					
					 
				
					 
				
Z 104N 
					
					 
			
T 104N 
					
				 
			
					 
				
					 
				
					 
				
					 
				
					 
				
					 
				
					 
				
					 
				
					 
				
					 
				
					 
				
					 
				
					 
				
					 
				
					 
				
					 
				
					 
				
					 
				
					 
				
					 
				
					 
				
					 
				
					 
				
					 
			
				 
			
					 
				
					 
				
					 
				
					 
				
					 
				
					 
			
				 
			
					 
				
					 
				
					 
				
					 
				
					 
				
					 
				
					 
				
					 
				
					 
				
					 
				
					 
				
					 
				
					 
				
					 
				
					 
				
					 
				
					 
				
					 
				
					 
				
					 
				
					 
				
					 
				
					 
				
					 
			
				 
			
					 
				
					 
				
					 
				
					 
				
					 
				
					 
			
				 
			
					 
				
					 
				
					 
				
					 
				
					 
				
					 
				
					 
				
					 
				
					 
				
					 
				
					 
				
					 
				
					 
				
					 
				
					 
				
					 
				
					 
				
					 
				
					 
				
					 
				
					 
				
					 
				
					 
				
					 
			
				 
			
					 
				
					 
				
					 
				
					 
				
					 
				
					 
			
				 
			
					 
				
					 
				
					 
				
					 
				
					 
				
					 
				
					 
				
					 
				
					 
				
					 
				
					 
				
					 
				
					 
				
					 
				
					 
				
					 
				
					 
				
					 
				
					 
				
					 
				
					 
				
					 
				
					 
				
					 
			
				 
			
					 
				
					 
				
					 
				
					 
				
					 
				
					 
			
				 
			
					 
				
					 
				
					 
				
					 
				
					 
				
					 
				
					 
				
					 
				
					 
				
					 
				
					 
				
					 
				
					 
				
					 
				
					 
				
					 
				
					 
				
					 
				
					 
				
					 
				
					 
				
					 
				
					 
				
					 
			
				 
			
					 
				
					 
				
					 
				
					 
				
					 
				
					 
			
				 
			
					 
				
					 
				
					 
				
					 
				
					 
				
					 
				
					 
				
					 
				
					 
				
					 
				
					 
				
					 
				
					 
				
					 
				
					 
				
					 
				
					 
				
					 
				
					 
				
					 
				
					 
				
					 
				
					 
				
					 
			
				 
			
					 
				
					 
				
					 
				
					 
				
					 
				
					 
			
				 
			
					 
				
					 
				
					 
				
					 
				
					 
				
					 
				
					 
				
					 
				
					 
				
					 
				
					 
				
					 
				
					 
				
					 
				
					 
				
					 
				
					 
				
					 
				
					 
				
					 
				
					 
				
					 
				
					 
				
					 
			
				 
			
					 
				
					 
				
					 
				
					 
				
					 
				
					 
			
				 
			
					 
				
					 
				
					 
				
					 
				
					 
				
					 
				
					 
				
					 
				
					 
				
					 
				
					 
				
					 
				
					 
				
					 
				
					 
				
					 
				
					 
				
					 
				
					 
				
					 
				
					 
				
					 
				
					 
				
					 
			
				 
			
					 
				
					 
				
					 
				
					 
				
					 
				
					 
			
				 
			
					 
				
					 
				
					 
				
					 
				
					 
				
					 
				
					 
				
					 
				
					 
				
					 
				
					 
				
					 
				
					 
				
					 
				
					 
				
					 
				
					 
				
					 
				
					 
				
					 
				
					 
				
					 
				
					 
				
					 
			
				 
			
					 
				
					 
				
					 
				
					 
				
					 
				
					 
			
				 
			
					 
				
					 
				
					 
				
					 
				
					 
				
					 
				
					 
				
					 
				
					 
				
					 
				
					 
				
					 
				
					 
				
					 
				
					 
				
					 
				
					 
				
					 
				
					 
				
					 
				
					 
				
					 
				
					 
				
					 
			
				 
			
					 
				
					 
				
					 
				
					 
				
					 
				
					 
			
				 
			
					 
				
					 
				
					 
				
					 
				
					 
				
					 
				
					 
				
					 
				
					 
				
					 
				
					 
				
					 
				
					 
				
					 
				
					 
				
					 
				
					 
				
					 
				
					 
				
					 
				
					 
				
					 
				
					 
				
					 
			
				 
			
					 
				
					 
				
					 
				
					 
				
					 
				
					 
			
				 
			
					 
				
					 
				
					 
				
					 
				
					 
				
					 
				
					 
				
					 
				
					 
				
					 
				
					 
				
					 
				
					 
				
					 
				
					 
				
					 
				
					 
				
					 
				
					 
				
					 
				
					 
				
					 
				
					 
				
					 
			
				 
			
					 
				
					 
				
					 
				
					 
				
					 
				
					 
			
				 
			
					 
				
					 
				
					 
				
					 
				
					 
				
					 
				
					 
				
					 
				
					 
				
					 
				
					 
				
					 
				
					 
				
					 
				
					 
				
					 
				
					 
				
					 
				
					 
				
					 
				
					 
				
					 
				
					 
				
					 
			
				 
			
					 
				
					 
				
					 
				
					 
				
					 
				
					 
			
				 
			
					 
				
					 
				
					 
				
					 
				
					 
				
					 
				
					 
				
					 
				
					 
				
					 
				
					 
				
					 
				
					 
				
					 
				
					 
				
					 
				
					 
				
					 
				
					 
				
					 
				
					 
				
					 
				
					 
				
					 
			
				 
			
					 
				
					 
				
					 
				
					 
				
					 
				
					 
			
				 
			
					 
				
					 
				
					 
				
					 
				
					 
				
					 
				
					 
				
					 
				
					 
				
					 
				
					 
				
					 
				
					 
				
					 
				
					 
				
					 
				
					 
				
					 
				
					 
				
					 
				
					 
				
					 
				
					 
				
					 
			
				 
			
					 
				
					 
				
					 
				
					 
				
					 
				
					 
			
				 
			
					 
				
					 
				
					 
				
					 
				
					 
				
					 
				
					 
				
					 
				
					 
				
					 
				
					 
				
					 
				
					 
				
					 
				
					 
				
					 
				
					 
				
					 
				
					 
				
					 
				
					 
				
					 
				
					 
				
					 
			
				 
			
					 
				
					 
				
					 
				
					 
				
					 
				
					 
			
				 
			
					 
				
					 
				
					 
				
					 
				
					 
				
					 
				
					 
				
					 
				
					 
				
					 
				
					 
				
					 
				
					 
				
					 
				
					 
				
					 
				
					 
				
					 
				
					 
				
					 
				
					 
				
					 
				
					 
				
					 
			
				 
			
					 
				
					 
				
					 
				
					 
				
					 
				
					 
			
				 
			
					 
				
					 
				
					 
				
					 
				
					 
				
					 
				
					 
				
					 
				
					 
				
					 
				
					 
				
					 
				
					 
				
					 
				
					 
				
					 
				
					 
				
					 
				
					 
				
					 
				
					 
				
					 
				
					 
				
					 
			
				 
			
					 
				
					 
				
					 
				
					 
				
					 
				
					 
			
				 
			
					 
				
					 
				
					 
				
					 
				
					 
				
					 
				
					 
				
					 
				
					 
				
					 
				
					 
				
					 
				
					 
				
					 
				
					 
				
					 
				
					 
				
					 
				
					 
				
					 
				
					 
				
					 
				
					 
				
					 
			
				 
			
					 
				
					 
				
					 
				
					 
				
					 
				
					 
			
				 
			
					 
				
					 
				
					 
				
					 
				
					 
				
					 
				
					 
				
					 
				
					 
				
					 
				
					 
				
					 
				
					 
				
					 
				
					 
				
					 
				
					 
				
					 
				
					 
				
					 
				
					 
				
					 
				
					 
				
					 
			
				 
		
	
					 
				
					 
				
					 
				
					 
				
					 
				
					 
			
	注: 
1、n1為潤滑油孔數,均布:油杯M10×1 JB/T7940.1-JB/T7940.2
2、安裝孔n-Φ可改用螺孔;齒寬b可改為H-h。
3、表內齒輪圓周力為最大圓周力,額定圓周力取其1/2。
4、外齒修頂系數為0.1。
 
聯系我們
 
			掃一掃查看更多信息