 
		 
 
	 
  
 
手機購
更方便
	 
 
	 
 
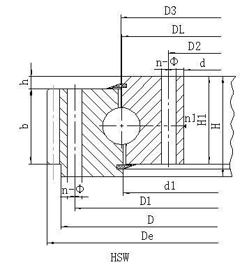
	HS系列外齒型-轉盤軸承
結構特點、性能、適用范圍 
       單排四點接觸球式轉盤軸承由兩個座圈組成,結構緊湊、重量輕、鋼球與圓弧滾道四點接觸,能同時承受軸向力、徑向力和傾翻力矩。回轉式輸送機、焊接操作機、中小型起重機和挖掘機等工程機械均可選用。
 
	 
	 
						序號 
					 
						外齒式 
						外型尺寸 
					 
						安裝尺寸 
					 
						結構尺寸 
					 
						齒輪參數 
					 
						齒輪 
						參考 
						D 
						d 
						H 
						D1 
						D2 
						n 
					 
						mm 
					 
						n1 
						D3 
						d1 
						H1 
						h 
						b 
						x 
					 
						m 
						De 
						z 
					 
						調質 
						1 
					 
						HSW.25.625 
					 
						725 
					 
						525 
					 
						80 
					 
						685 
					 
						565 
					 
						18 
					 
						18 
					 
						3 
					 
						626 
					 
						624 
					 
						68 
					 
						12 
					 
						60 
					 
						1.4 
					 
						5 
					 
						751.9 
					 
						146 
					 
						5.2 
					 
						100 
					 
						HSW.25.625A 
					 
						1.15 
					 
						6 
					 
						755.5 
					 
						122 
					 
						6.2 
					 
						2 
					 
						HSW.25.720 
					 
						820 
					 
						620 
					 
						80 
					 
						780 
					 
						660 
					 
						18 
					 
						18 
					 
						3 
					 
						721 
					 
						719 
					 
						68 
					 
						12 
					 
						60 
					 
						1.4 
					 
						6 
					 
						860.3 
					 
						139 
					 
						6.2 
					 
						120 
					 
						HSW.25.720A 
					 
						1 
					 
						8 
					 
						861.1 
					 
						104 
					 
						8.3 
					 
						3 
					 
						HSW.30.820 
					 
						940 
					 
						705 
					 
						95 
					 
						893 
					 
						749 
					 
						24 
					 
						20 
					 
						4 
					 
						821 
					 
						818 
					 
						83 
					 
						12 
					 
						70 
					 
						1.4 
					 
						6 
					 
						980.6 
					 
						159 
					 
						7.2 
					 
						210 
					 
						HSW.30.820A 
					 
						1 
					 
						10 
					 
						986.2 
					 
						95 
					 
						12.2 
					 
						4 
					 
						HSW.30.880 
					 
						1000 
					 
						760 
					 
						95 
					 
						956 
					 
						800 
					 
						24 
					 
						20 
					 
						4 
					 
						881 
					 
						878 
					 
						83 
					 
						12 
					 
						70 
					 
						1.15 
					 
						8 
					 
						1047.5 
					 
						127 
					 
						9.7 
					 
						230 
					 
						HSW.30.880A 
					 
						1 
					 
						10 
					 
						1046.3 
					 
						101 
					 
						12.2 
					 
						5 
					 
						HSW.30.1020 
					 
						1170 
					 
						875 
					 
						95 
					 
						1120 
					 
						930 
					 
						24 
					 
						22 
					 
						4 
					 
						1021 
					 
						1018 
					 
						80 
					 
						15 
					 
						70 
					 
						1.4 
					 
						8 
					 
						1219.3 
					 
						148 
					 
						9.7 
					 
						300 
					 
						HSW.30.1020A 
					 
						1.15 
					 
						10 
					 
						1219.2 
					 
						118 
					 
						12.2 
					 
						6 
					 
						HSW.30.1220 
					 
						1365 
					 
						1075 
					 
						120 
					 
						1310 
					 
						1130 
					 
						36 
					 
						24 
					 
						6 
					 
						1221 
					 
						1218 
					 
						105 
					 
						15 
					 
						90 
					 
						1.4 
					 
						10 
					 
						1424.9 
					 
						138 
					 
						15.7 
					 
						450 
					 
						HSW.30.1220A 
					 
						1 
					 
						12 
					 
						1435.9 
					 
						116 
					 
						18.8 
					 
						7 
					 
						HSW.35.1250 
					 
						1400 
					 
						1090 
					 
						120 
					 
						1350 
					 
						1150 
					 
						36 
					 
						26 
					 
						6 
					 
						1251 
					 
						1248 
					 
						105 
					 
						15 
					 
						90 
					 
						-0.35 
					 
						10 
					 
						1443 
					 
						143 
					 
						15.7 
					 
						520 
					 
						HSW.35.1250A 
					 
						1 
					 
						12 
					 
						1449.6 
					 
						117 
					 
						18.8 
					 
						8 
					 
						HSW.35.1435 
					 
						1595 
					 
						1278 
					 
						120 
					 
						1535 
					 
						1335 
					 
						36 
					 
						26 
					 
						6 
					 
						1436 
					 
						1433 
					 
						105 
					 
						15 
					 
						90 
					 
						1.15 
					 
						12 
					 
						1655.5 
					 
						134 
					 
						18.8 
					 
						610 
					 
						HSW.35.1435A 
					 
						1 
					 
						14 
					 
						1661.2 
					 
						115 
					 
						21.9 
					 
						9 
					 
						HSW.35.1540 
					 
						1720 
					 
						1360 
					 
						140 
					 
						1660 
					 
						1420 
					 
						42 
					 
						26 
					 
						6 
					 
						1541 
					 
						1538 
					 
						122 
					 
						18 
					 
						110 
					 
						1.4 
					 
						12 
					 
						1780.8 
					 
						144 
					 
						23 
					 
						732 
					 
						HSW.35.1540A 
					 
						1.15 
					 
						14 
					 
						1791.1 
					 
						124 
					 
						26.8 
					 
						10 
					 
						HSW.35.1700 
					 
						1875 
					 
						1525 
					 
						140 
					 
						1815 
					 
						1585 
					 
						42 
					 
						29 
					 
						6 
					 
						1701 
					 
						1698 
					 
						122 
					 
						18 
					 
						110 
					 
						1.15 
					 
						14 
					 
						1945.4 
					 
						135 
					 
						26.8 
					 
						844 
					 
						HSW.35.1700A 
					 
						1.15 
					 
						16 
					 
						1950.8 
					 
						118 
					 
						30.5 
					 
						11 
					 
						HSW.40.1880 
					 
						2100 
					 
						1665 
					 
						160 
					 
						2030 
					 
						1740 
					 
						48 
					 
						32 
					 
						6 
					 
						1881 
					 
						1878 
					 
						140 
					 
						20 
					 
						115 
					 
						1.4 
					 
						14 
					 
						2189.8 
					 
						152 
					 
						27.8 
					 
						1400 
					 
						HSW.40.1880A 
					 
						1.15 
					 
						18 
					 
						2194.6 
					 
						118 
					 
						35.8 
					 
						12 
					 
						HSW.40.2115 
					 
						2325 
					 
						1900 
					 
						160 
					 
						2245 
					 
						1980 
					 
						48 
					 
						32 
					 
						6 
					 
						2116 
					 
						2113 
					 
						140 
					 
						20 
					 
						115 
					 
						1.4 
					 
						16 
					 
						2406.5 
					 
						146 
					 
						31.9 
					 
						1600 
					 
						HSW.40.2115A 
					 
						1.15 
					 
						20 
					 
						2418.4 
					 
						117 
					 
						40 
					 
						13 
					 
						HSW.40.2370 
					 
						2600 
					 
						2146 
					 
						180 
					 
						2520 
					 
						2220 
					 
						48 
					 
						32 
					 
						6 
					 
						2371 
					 
						2368 
					 
						158 
					 
						22 
					 
						130 
					 
						1.4 
					 
						18 
					 
						2707.3 
					 
						146 
					 
						40.7 
					 
						2100 
					 
						HSW.40.2370A 
					 
						1.15 
					 
						22 
					 
						2704.4 
					 
						119 
					 
						49.7 
					 
						14 
					 
						HSW.40.2600 
					 
						2835 
					 
						2365 
					 
						180 
					 
						2750 
					 
						2450 
					 
						54 
					 
						36 
					 
						6 
					 
						2601 
					 
						2598 
					 
						158 
					 
						22 
					 
						130 
					 
						1.4 
					 
						18 
					 
						2941.7 
					 
						159 
					 
						37.6 
					 
						2400 
					 
						HSW.40.2600A 
					 
						1.15 
					 
						22 
					 
						2946.9 
					 
						130 
					 
						45.9 
					 
						15 
					 
						HSW.50.2820 
					 
						3085 
					 
						2555 
					 
						200 
					 
						3000 
					 
						2640 
					 
						54 
					 
						36 
					 
						6 
					 
						2822 
					 
						2818 
					 
						178 
					 
						22 
					 
						150 
					 
						1.4 
					 
						20 
					 
						3188.4 
					 
						155 
					 
						52.2 
					 
						3400 
					 
						HSW.50.2820A 
					 
						1.15 
					 
						25 
					 
						3198.4 
					 
						124 
					 
						65.3 
					 
						16 
					 
						HSW.50.3120 
					 
						3400 
					 
						2840 
					 
						200 
					 
						3310 
					 
						2930 
					 
						54 
					 
						36 
					 
						6 
					 
						3122 
					 
						3118 
					 
						178 
					 
						22 
					 
						150 
					 
						1.4 
					 
						22 
					 
						3507.2 
					 
						155 
					 
						57.4 
					 
						4000 
					 
						HSW.50.3120A 
					 
						1.4 
					 
						25 
					 
						3509.6 
					 
						136 
					 
						65.3 
					 
						17 
					 
						HSW.50.3580 
					 
						3920 
					 
						3240 
					 
						240 
					 
						3820 
					 
						3340 
					 
						60 
					 
						40 
					 
						6 
					 
						3582 
					 
						3578 
					 
						218 
					 
						22 
					 
						190 
					 
						1.4 
					 
						22 
					 
						4036.1 
					 
						179 
					 
						72.7 
					 
						6700 
					 
						HSW.50.3580A 
					 
						1.4 
					 
						25 
					 
						4035.6 
					 
						157 
					 
						82.6 
					 
						18 
					 
						HSW.50.4030 
					 
						4370 
					 
						3690 
					 
						240 
					 
						4270 
					 
						3790 
					 
						66 
					 
						40 
					 
						6 
					 
						4032 
					 
						4028 
					 
						218 
					 
						22 
					 
						190 
					 
						1.4 
					 
						22 
					 
						4520.6 
					 
						201 
					 
						53.6 
					 
						7700 
					 
						HSW.50.4030A 
					 
						1.4 
					 
						28 
					 
						4522.4 
					 
						157 
					 
						68.2 
					 
						19 
					 
						HSW.50.4540 
					 
						4860 
					 
						4210 
					 
						240 
					 
						4760 
					 
						4310 
					 
						72 
					 
						40 
					 
						6 
					 
						4542 
					 
						4538 
					 
						218 
					 
						22 
					 
						190 
					 
						1.4 
					 
						22 
					 
						4983.1 
					 
						222 
					 
						72.1 
					 
						8760 
					 
						HSW.50.4540A 
					 
						1.4 
					 
						30 
					 
						4992.9 
					 
						162 
					 
						99.1 
					
		
			
				 
			
					 
				
					 
				
DL 
mm 
					
					 
				
					 
				
					 
				
					 
				
					 
				
圓周力 
					
					 
			
重量
kg 
					
				 
			
					 
				
mm 
					
					 
				
mm 
					
					 
				
mm 
					
					 
				
mm 
					
					 
				
mm 
					
					 
				
					 
				
					 
				
mm 
					
					 
				
mm 
					
					 
				
mm 
					
					 
				
mm 
					
					 
				
mm 
					
					 
				
mm 
					
					 
				
					 
				
mm 
					
					 
				
mm 
					
					 
				
					 
			
T 104N 
					
				 
			
					 
				
					 
				
					 
				
					 
				
					 
				
					 
				
					 
				
					 
				
					 
				
					 
				
					 
				
					 
				
					 
				
					 
				
					 
				
					 
				
					 
				
					 
				
					 
				
					 
				
					 
			
				 
			
					 
				
					 
				
					 
				
					 
				
					 
				
					 
			
				 
			
					 
				
					 
				
					 
				
					 
				
					 
				
					 
				
					 
				
					 
				
					 
				
					 
				
					 
				
					 
				
					 
				
					 
				
					 
				
					 
				
					 
				
					 
				
					 
				
					 
				
					 
			
				 
			
					 
				
					 
				
					 
				
					 
				
					 
				
					 
			
				 
			
					 
				
					 
				
					 
				
					 
				
					 
				
					 
				
					 
				
					 
				
					 
				
					 
				
					 
				
					 
				
					 
				
					 
				
					 
				
					 
				
					 
				
					 
				
					 
				
					 
				
					 
			
				 
			
					 
				
					 
				
					 
				
					 
				
					 
				
					 
			
				 
			
					 
				
					 
				
					 
				
					 
				
					 
				
					 
				
					 
				
					 
				
					 
				
					 
				
					 
				
					 
				
					 
				
					 
				
					 
				
					 
				
					 
				
					 
				
					 
				
					 
				
					 
			
				 
			
					 
				
					 
				
					 
				
					 
				
					 
				
					 
			
				 
			
					 
				
					 
				
					 
				
					 
				
					 
				
					 
				
					 
				
					 
				
					 
				
					 
				
					 
				
					 
				
					 
				
					 
				
					 
				
					 
				
					 
				
					 
				
					 
				
					 
				
					 
			
				 
			
					 
				
					 
				
					 
				
					 
				
					 
				
					 
			
				 
			
					 
				
					 
				
					 
				
					 
				
					 
				
					 
				
					 
				
					 
				
					 
				
					 
				
					 
				
					 
				
					 
				
					 
				
					 
				
					 
				
					 
				
					 
				
					 
				
					 
				
					 
			
				 
			
					 
				
					 
				
					 
				
					 
				
					 
				
					 
			
				 
			
					 
				
					 
				
					 
				
					 
				
					 
				
					 
				
					 
				
					 
				
					 
				
					 
				
					 
				
					 
				
					 
				
					 
				
					 
				
					 
				
					 
				
					 
				
					 
				
					 
				
					 
			
				 
			
					 
				
					 
				
					 
				
					 
				
					 
				
					 
			
				 
			
					 
				
					 
				
					 
				
					 
				
					 
				
					 
				
					 
				
					 
				
					 
				
					 
				
					 
				
					 
				
					 
				
					 
				
					 
				
					 
				
					 
				
					 
				
					 
				
					 
				
					 
			
				 
			
					 
				
					 
				
					 
				
					 
				
					 
				
					 
			
				 
			
					 
				
					 
				
					 
				
					 
				
					 
				
					 
				
					 
				
					 
				
					 
				
					 
				
					 
				
					 
				
					 
				
					 
				
					 
				
					 
				
					 
				
					 
				
					 
				
					 
				
					 
			
				 
			
					 
				
					 
				
					 
				
					 
				
					 
				
					 
			
				 
			
					 
				
					 
				
					 
				
					 
				
					 
				
					 
				
					 
				
					 
				
					 
				
					 
				
					 
				
					 
				
					 
				
					 
				
					 
				
					 
				
					 
				
					 
				
					 
				
					 
				
					 
			
				 
			
					 
				
					 
				
					 
				
					 
				
					 
				
					 
			
				 
			
					 
				
					 
				
					 
				
					 
				
					 
				
					 
				
					 
				
					 
				
					 
				
					 
				
					 
				
					 
				
					 
				
					 
				
					 
				
					 
				
					 
				
					 
				
					 
				
					 
				
					 
			
				 
			
					 
				
					 
				
					 
				
					 
				
					 
				
					 
			
				 
			
					 
				
					 
				
					 
				
					 
				
					 
				
					 
				
					 
				
					 
				
					 
				
					 
				
					 
				
					 
				
					 
				
					 
				
					 
				
					 
				
					 
				
					 
				
					 
				
					 
				
					 
			
				 
			
					 
				
					 
				
					 
				
					 
				
					 
				
					 
			
				 
			
					 
				
					 
				
					 
				
					 
				
					 
				
					 
				
					 
				
					 
				
					 
				
					 
				
					 
				
					 
				
					 
				
					 
				
					 
				
					 
				
					 
				
					 
				
					 
				
					 
				
					 
			
				 
			
					 
				
					 
				
					 
				
					 
				
					 
				
					 
			
				 
			
					 
				
					 
				
					 
				
					 
				
					 
				
					 
				
					 
				
					 
				
					 
				
					 
				
					 
				
					 
				
					 
				
					 
				
					 
				
					 
				
					 
				
					 
				
					 
				
					 
				
					 
			
				 
			
					 
				
					 
				
					 
				
					 
				
					 
				
					 
			
				 
			
					 
				
					 
				
					 
				
					 
				
					 
				
					 
				
					 
				
					 
				
					 
				
					 
				
					 
				
					 
				
					 
				
					 
				
					 
				
					 
				
					 
				
					 
				
					 
				
					 
				
					 
			
				 
			
					 
				
					 
				
					 
				
					 
				
					 
				
					 
			
				 
			
					 
				
					 
				
					 
				
					 
				
					 
				
					 
				
					 
				
					 
				
					 
				
					 
				
					 
				
					 
				
					 
				
					 
				
					 
				
					 
				
					 
				
					 
				
					 
				
					 
				
					 
			
				 
			
					 
				
					 
				
					 
				
					 
				
					 
				
					 
			
				 
			
					 
				
					 
				
					 
				
					 
				
					 
				
					 
				
					 
				
					 
				
					 
				
					 
				
					 
				
					 
				
					 
				
					 
				
					 
				
					 
				
					 
				
					 
				
					 
				
					 
				
					 
			
				 
			
					 
				
					 
				
					 
				
					 
				
					 
				
					 
			
				 
			
					 
				
					 
				
					 
				
					 
				
					 
				
					 
				
					 
				
					 
				
					 
				
					 
				
					 
				
					 
				
					 
				
					 
				
					 
				
					 
				
					 
				
					 
				
					 
				
					 
				
					 
			
				 
			
					 
				
					 
				
					 
				
					 
				
					 
				
					 
			
				 
			
					 
				
					 
				
					 
				
					 
				
					 
				
					 
				
					 
				
					 
				
					 
				
					 
				
					 
				
					 
				
					 
				
					 
				
					 
				
					 
				
					 
				
					 
				
					 
				
					 
				
					 
			
				 
		
	
					 
				
					 
				
					 
				
					 
				
					 
				
					 
			
 
	注: 
1、n1為潤滑油孔數,均布:油杯M10×1 JB/T7940.1-TB7940.2. 
2、安裝孔n-Φ可改用螺孔;齒寬b可改為H-h。
3、表內齒輪圓周力為最大圓周力,額定圓周力取其1/2。
4、表內變位系數均為外齒式設計。
 
聯系我們
 
			掃一掃查看更多信息