 
		 
 
	 
  
 
手機購
更方便
	 
 
	 
 
	HJ系列無齒式回轉支承
結構特點、性能、適用范圍
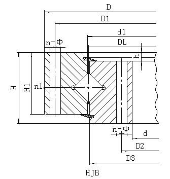
       單排交叉滾柱式回轉支承,由兩個座圈組成,結構緊湊、重量輕、制造精度高,裝配間隙小,對安裝精度要求高,滾柱為1:1交叉排列,能同時承受軸向力,傾翻力矩和較大的徑向力,被廣泛地用于起重運輸、工程機械和軍工產品上。
 
	 
	 
						序號 
					 
						無齒式 
						外型尺寸 
					 
						安裝尺寸 
					 
						結構尺寸 
					 
						參考 
						D 
						d 
						H 
						D1 
						D2 
						n 
					 
						mm 
					 
						n1 
						D3 
						d1 
						H1 
						h 
						1 
					 
						HJB.20.625 
					 
						725 
					 
						525 
					 
						80 
					 
						685 
					 
						565 
					 
						18 
					 
						18 
					 
						3 
					 
						627 
					 
						623 
					 
						68 
					 
						12 
					 
						100 
					 
						2 
					 
						HJB.20.720 
					 
						820 
					 
						620 
					 
						80 
					 
						780 
					 
						660 
					 
						18 
					 
						18 
					 
						3 
					 
						722 
					 
						718 
					 
						68 
					 
						12 
					 
						120 
					 
						3 
					 
						HJB.30.820 
					 
						940 
					 
						705 
					 
						95 
					 
						893 
					 
						749 
					 
						24 
					 
						20 
					 
						4 
					 
						822 
					 
						818 
					 
						83 
					 
						12 
					 
						210 
					 
						4 
					 
						HJB.30.880 
					 
						1000 
					 
						760 
					 
						95 
					 
						956 
					 
						800 
					 
						24 
					 
						20 
					 
						4 
					 
						882 
					 
						878 
					 
						83 
					 
						12 
					 
						230 
					 
						5 
					 
						HJB.30.1020 
					 
						1170 
					 
						875 
					 
						95 
					 
						1120 
					 
						930 
					 
						24 
					 
						22 
					 
						4 
					 
						1022 
					 
						1018 
					 
						80 
					 
						15 
					 
						300 
					 
						6 
					 
						HJB.36.1220 
					 
						1365 
					 
						1075 
					 
						120 
					 
						1310 
					 
						1130 
					 
						36 
					 
						24 
					 
						6 
					 
						1222 
					 
						1218 
					 
						105 
					 
						15 
					 
						450 
					 
						7 
					 
						HJB.36.1250 
					 
						1400 
					 
						1090 
					 
						120 
					 
						1350 
					 
						1150 
					 
						36 
					 
						26 
					 
						6 
					 
						1252 
					 
						1248 
					 
						105 
					 
						15 
					 
						520 
					 
						8 
					 
						HJB.36.1435 
					 
						1595 
					 
						1278 
					 
						120 
					 
						1535 
					 
						1335 
					 
						36 
					 
						26 
					 
						6 
					 
						1437 
					 
						1433 
					 
						105 
					 
						15 
					 
						610 
					 
						9 
					 
						HJB.45.1540 
					 
						1720 
					 
						1360 
					 
						140 
					 
						1660 
					 
						1420 
					 
						42 
					 
						26 
					 
						6 
					 
						1543 
					 
						4537 
					 
						122 
					 
						18 
					 
						732 
					 
						10 
					 
						HJB.45.1700 
					 
						1875 
					 
						1525 
					 
						140 
					 
						1815 
					 
						1585 
					 
						42 
					 
						29 
					 
						6 
					 
						1703 
					 
						1697 
					 
						122 
					 
						18 
					 
						844 
					 
						11 
					 
						HJB.45.1880 
					 
						2100 
					 
						1665 
					 
						160 
					 
						2030 
					 
						1740 
					 
						48 
					 
						32 
					 
						6 
					 
						1883 
					 
						1876 
					 
						140 
					 
						20 
					 
						1400 
					 
						12 
					 
						HJB.45.2115 
					 
						2325 
					 
						1900 
					 
						160 
					 
						2245 
					 
						1980 
					 
						48 
					 
						32 
					 
						6 
					 
						2118 
					 
						2112 
					 
						140 
					 
						20 
					 
						1600 
					 
						13 
					 
						HJB.45.2370 
					 
						2600 
					 
						2146 
					 
						180 
					 
						2520 
					 
						2220 
					 
						48 
					 
						32 
					 
						6 
					 
						2373 
					 
						2367 
					 
						158 
					 
						22 
					 
						2100 
					 
						14 
					 
						HJB.45.2600 
					 
						2835 
					 
						2365 
					 
						180 
					 
						2750 
					 
						2450 
					 
						54 
					 
						36 
					 
						6 
					 
						2603 
					 
						2597 
					 
						158 
					 
						22 
					 
						2400 
					 
						15 
					 
						HJB.50.2820 
					 
						3085 
					 
						2555 
					 
						200 
					 
						3000 
					 
						2640 
					 
						54 
					 
						36 
					 
						6 
					 
						2823 
					 
						2817 
					 
						178 
					 
						22 
					 
						3400 
					 
						16 
					 
						HJB.50.3120 
					 
						3400 
					 
						2840 
					 
						200 
					 
						3310 
					 
						2930 
					 
						54 
					 
						36 
					 
						6 
					 
						3123 
					 
						3117 
					 
						178 
					 
						22 
					 
						4000 
					 
						17 
					 
						HJB.50.3580 
					 
						3920 
					 
						3240 
					 
						240 
					 
						3820 
					 
						3340 
					 
						60 
					 
						40 
					 
						6 
					 
						3583 
					 
						3577 
					 
						218 
					 
						22 
					 
						6700 
					 
						18 
					 
						HJB.50.4030 
					 
						4370 
					 
						3690 
					 
						240 
					 
						4270 
					 
						3790 
					 
						66 
					 
						40 
					 
						6 
					 
						4033 
					 
						4027 
					 
						218 
					 
						22 
					 
						7700 
					 
						19 
					 
						HJB.50.4540 
					 
						4860 
					 
						4210 
					 
						240 
					 
						4760 
					 
						4310 
					 
						72 
					 
						40 
					 
						6 
					 
						4543 
					 
						4537 
					 
						218 
					 
						22 
					 
						8760 
					
		
			
				 
			
					 
				
					 
				
DL
mm 
					
					 
				
					 
				
					 
				
					 
			
重量
kg 
					
				 
			
					 
				
mm 
					
					 
				
mm 
					
					 
				
mm 
					
					 
				
mm 
					
					 
				
mm 
					
					 
				
					 
				
					 
				
mm 
					
					 
				
mm 
					
					 
				
mm 
					
					 
				
mm 
					
					 
			
mm 
					
				 
			
					 
				
					 
				
					 
				
					 
				
					 
				
					 
				
					 
				
					 
				
					 
				
					 
				
					 
				
					 
				
					 
				
					 
				
					 
			
			 
			
				 
			
					 
				
					 
				
					 
				
					 
				
					 
				
					 
				
					 
				
					 
				
					 
				
					 
				
					 
				
					 
				
					 
				
					 
				
					 
			
			 
			
				 
			
					 
				
					 
				
					 
				
					 
				
					 
				
					 
				
					 
				
					 
				
					 
				
					 
				
					 
				
					 
				
					 
				
					 
				
					 
			
			 
			
				 
			
					 
				
					 
				
					 
				
					 
				
					 
				
					 
				
					 
				
					 
				
					 
				
					 
				
					 
				
					 
				
					 
				
					 
				
					 
			
			 
			
				 
			
					 
				
					 
				
					 
				
					 
				
					 
				
					 
				
					 
				
					 
				
					 
				
					 
				
					 
				
					 
				
					 
				
					 
				
					 
			
			 
			
				 
			
					 
				
					 
				
					 
				
					 
				
					 
				
					 
				
					 
				
					 
				
					 
				
					 
				
					 
				
					 
				
					 
				
					 
				
					 
			
			 
			
				 
			
					 
				
					 
				
					 
				
					 
				
					 
				
					 
				
					 
				
					 
				
					 
				
					 
				
					 
				
					 
				
					 
				
					 
				
					 
			
			 
			
				 
			
					 
				
					 
				
					 
				
					 
				
					 
				
					 
				
					 
				
					 
				
					 
				
					 
				
					 
				
					 
				
					 
				
					 
				
					 
			
			 
			
				 
			
					 
				
					 
				
					 
				
					 
				
					 
				
					 
				
					 
				
					 
				
					 
				
					 
				
					 
				
					 
				
					 
				
					 
				
					 
			
			 
			
				 
			
					 
				
					 
				
					 
				
					 
				
					 
				
					 
				
					 
				
					 
				
					 
				
					 
				
					 
				
					 
				
					 
				
					 
				
					 
			
			 
			
				 
			
					 
				
					 
				
					 
				
					 
				
					 
				
					 
				
					 
				
					 
				
					 
				
					 
				
					 
				
					 
				
					 
				
					 
				
					 
			
			 
			
				 
			
					 
				
					 
				
					 
				
					 
				
					 
				
					 
				
					 
				
					 
				
					 
				
					 
				
					 
				
					 
				
					 
				
					 
				
					 
			
			 
			
				 
			
					 
				
					 
				
					 
				
					 
				
					 
				
					 
				
					 
				
					 
				
					 
				
					 
				
					 
				
					 
				
					 
				
					 
				
					 
			
			 
			
				 
			
					 
				
					 
				
					 
				
					 
				
					 
				
					 
				
					 
				
					 
				
					 
				
					 
				
					 
				
					 
				
					 
				
					 
				
					 
			
			 
			
				 
			
					 
				
					 
				
					 
				
					 
				
					 
				
					 
				
					 
				
					 
				
					 
				
					 
				
					 
				
					 
				
					 
				
					 
				
					 
			
			 
			
				 
			
					 
				
					 
				
					 
				
					 
				
					 
				
					 
				
					 
				
					 
				
					 
				
					 
				
					 
				
					 
				
					 
				
					 
				
					 
			
			 
			
				 
			
					 
				
					 
				
					 
				
					 
				
					 
				
					 
				
					 
				
					 
				
					 
				
					 
				
					 
				
					 
				
					 
				
					 
				
					 
			
			 
			
				 
			
					 
				
					 
				
					 
				
					 
				
					 
				
					 
				
					 
				
					 
				
					 
				
					 
				
					 
				
					 
				
					 
				
					 
				
					 
			
			 
			
				 
			
					 
				
					 
				
					 
				
					 
				
					 
				
					 
				
					 
				
					 
				
					 
				
					 
				
					 
				
					 
				
					 
				
					 
				
					 
			
			 
		
	
 
	       轉支承在現實工業中應用很廣泛,被人們稱為:“機器的關節”,其主要應用在被廣泛應用于:汽車起重機、鐵路起重機、港口起重機、船用起重機、冶金起重機、集裝箱起重機、挖掘機、灌裝機、以及CT機駐波治療儀、航海儀、雷達天線座、導彈發射架、坦克、機器人以及旋轉餐廳等等方面。
 
聯系我們
 
			掃一掃查看更多信息