 
		 
 
	 
  
 
手機購
更方便
	 
	 
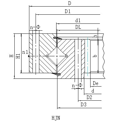
	HJ系列內齒型回轉支承
結構特點、性能、適用范圍 
       單排交叉滾柱式回轉支承,由兩個座圈組成,結構緊湊、重量輕、制造精度高,裝配間隙小,對安裝精度要求高,滾柱為1:1交叉排列,能同時承受軸向力,傾翻力矩和較大的徑向力,被廣泛地用于起重運輸、工程機械和軍工產品上。
	
	 
						序號
					 
						內齒式 
						外型尺寸
					 
						安裝尺寸
					 
						結構尺寸
					 
						齒輪參數
					 
						齒輪 
						參考 
						D 
						d 
						H 
						D1 
						D2 
						n
					 
						mm
					 
						n1 
						D3 
						d1 
						H1 
						h 
						b 
						x
					 
						m 
						De 
						z
					 
						調質 
						1
					 
						HJN.20.625
					 
						725
					 
						525
					 
						80
					 
						685
					 
						565
					 
						18
					 
						18
					 
						3
					 
						627
					 
						623
					 
						68
					 
						12
					 
						60
					 
						1.4
					 
						5
					 
						498.8
					 
						101
					 
						5.2
					 
						100
					 
						HJN.20.625A
					 
						1.15
					 
						6
					 
						496.7
					 
						84
					 
						6.2
					 
						2
					 
						HJN.20.720
					 
						820
					 
						620
					 
						80
					 
						780
					 
						660
					 
						18
					 
						18
					 
						3
					 
						722
					 
						718
					 
						68
					 
						12
					 
						60
					 
						1.4
					 
						6
					 
						586.6
					 
						99
					 
						6.2
					 
						120
					 
						HJN.20.720A
					 
						1
					 
						8
					 
						582.3
					 
						74
					 
						8.3
					 
						3
					 
						HJN.30.820
					 
						940
					 
						705
					 
						95
					 
						893
					 
						749
					 
						24
					 
						20
					 
						4
					 
						822
					 
						818
					 
						83
					 
						12
					 
						70
					 
						1.4
					 
						6
					 
						664.5
					 
						112
					 
						7.2
					 
						210
					 
						HJN.30.820A
					 
						1
					 
						10
					 
						658
					 
						67
					 
						12.2
					 
						4
					 
						HJN.30.880
					 
						1000
					 
						760
					 
						95
					 
						956
					 
						800
					 
						24
					 
						20
					 
						4
					 
						882
					 
						878
					 
						83
					 
						12
					 
						70
					 
						1.15
					 
						8
					 
						718.2
					 
						91
					 
						9.7
					 
						230
					 
						HJN.30.880A
					 
						1
					 
						10
					 
						707.9
					 
						72
					 
						12.2
					 
						5
					 
						HJN.30.1020
					 
						1170
					 
						875
					 
						95
					 
						1120
					 
						930
					 
						24
					 
						22
					 
						4
					 
						1022
					 
						1018
					 
						80
					 
						15
					 
						70
					 
						1.4
					 
						8
					 
						830.1
					 
						105
					 
						9.7
					 
						300
					 
						HJN.30.1020A
					 
						1.15
					 
						10
					 
						827.8
					 
						84
					 
						12.2
					 
						6
					 
						HJN.36.1220
					 
						1365
					 
						1075
					 
						120
					 
						1310
					 
						1130
					 
						36
					 
						24
					 
						6
					 
						1222
					 
						1218
					 
						105
					 
						15
					 
						90
					 
						1.4
					 
						10
					 
						1027.8
					 
						104
					 
						15.7
					 
						450
					 
						HJN.36.1220A
					 
						1
					 
						12
					 
						1017.3
					 
						86
					 
						18.8
					 
						7
					 
						HJN.36.1250
					 
						1400
					 
						1090
					 
						120
					 
						1350
					 
						1150
					 
						36
					 
						26
					 
						6
					 
						1252
					 
						1248
					 
						105
					 
						15
					 
						90
					 
						-0.35
					 
						10
					 
						1037
					 
						105
					 
						15.7
					 
						520
					 
						HJN.36.1250A
					 
						1
					 
						12
					 
						1028.8
					 
						87
					 
						18.8
					 
						8
					 
						HJN.36.1435
					 
						1595
					 
						1278
					 
						120
					 
						1535
					 
						1335
					 
						36
					 
						26
					 
						6
					 
						1437
					 
						1433
					 
						105
					 
						15
					 
						90
					 
						1.15
					 
						12
					 
						1221.2
					 
						1.3
					 
						18.8
					 
						610
					 
						HJN.36.1435A
					 
						1
					 
						14
					 
						1214.8
					 
						88
					 
						21.9
					 
						9
					 
						HJN.45.1540
					 
						1720
					 
						1360
					 
						140
					 
						1660
					 
						1420
					 
						42
					 
						26
					 
						6
					 
						1543
					 
						4537
					 
						122
					 
						18
					 
						110
					 
						1.4
					 
						12
					 
						1293.1
					 
						109
					 
						23
					 
						732
					 
						HJN.45.1540A
					 
						1.15
					 
						14
					 
						1284.8
					 
						93
					 
						26.8
					 
						10
					 
						HJN.45.1700
					 
						1875
					 
						1525
					 
						140
					 
						1815
					 
						1585
					 
						42
					 
						29
					 
						6
					 
						1703
					 
						1697
					 
						122
					 
						18
					 
						110
					 
						1.15
					 
						14
					 
						1452.7
					 
						105
					 
						26.8
					 
						844
					 
						HJN.45.1700A
					 
						1.15
					 
						16
					 
						1452.3
					 
						92
					 
						30.5
					 
						11
					 
						HJN.45.1880
					 
						2100
					 
						1665
					 
						160
					 
						2030
					 
						1740
					 
						48
					 
						32
					 
						6
					 
						1883
					 
						1876
					 
						140
					 
						20
					 
						115
					 
						1.4
					 
						14
					 
						1592.6
					 
						115
					 
						27.8
					 
						1400
					 
						HJN.45.1880A
					 
						1.15
					 
						18
					 
						1579.9
					 
						89
					 
						35.8
					 
						12
					 
						HJN.45.2115
					 
						2325
					 
						1900
					 
						160
					 
						2245
					 
						1980
					 
						48
					 
						32
					 
						6
					 
						2118
					 
						2112
					 
						140
					 
						20
					 
						115
					 
						1.4
					 
						16
					 
						1804.1
					 
						114
					 
						31.9
					 
						1600
					 
						HJN.45.2115A
					 
						1.15
					 
						20
					 
						1795.4
					 
						91
					 
						40
					 
						13
					 
						HJN.45.2370
					 
						2600
					 
						2146
					 
						180
					 
						2520
					 
						2220
					 
						48
					 
						32
					 
						6
					 
						2373
					 
						2367
					 
						158
					 
						22
					 
						130
					 
						1.4
					 
						18
					 
						2065.6
					 
						116
					 
						40.7
					 
						2100
					 
						HJN.45.2370A
					 
						1.15
					 
						22
					 
						2040.9
					 
						94
					 
						49.7
					 
						14
					 
						HJN.45.2600
					 
						2835
					 
						2365
					 
						180
					 
						2750
					 
						2450
					 
						54
					 
						36
					 
						6
					 
						2603
					 
						2597
					 
						158
					 
						22
					 
						130
					 
						1.4
					 
						18
					 
						2263.5
					 
						127
					 
						37.6
					 
						2400
					 
						HJN.45.2600A
					 
						1.15
					 
						22
					 
						2260.8
					 
						104
					 
						45.9
					 
						15
					 
						HJN.50.2820
					 
						3085
					 
						2555
					 
						200
					 
						3000
					 
						2640
					 
						54
					 
						36
					 
						6
					 
						2823
					 
						2817
					 
						178
					 
						22
					 
						150
					 
						1.4
					 
						20
					 
						2455
					 
						124
					 
						52.2
					 
						3400
					 
						HJN.50.2820A
					 
						1.15
					 
						25
					 
						2444.1
					 
						99
					 
						65.3
					 
						16
					 
						HJN.50.3120
					 
						3400
					 
						2840
					 
						200
					 
						3310
					 
						2930
					 
						54
					 
						36
					 
						6
					 
						3123
					 
						3117
					 
						178
					 
						22
					 
						150
					 
						1.4
					 
						22
					 
						2722.5
					 
						125
					 
						57.4
					 
						4000
					 
						HJN.50.3120A
					 
						1.4
					 
						25
					 
						2719
					 
						110
					 
						65.3
					 
						17
					 
						HJN.50.3580
					 
						3920
					 
						3240
					 
						240
					 
						3820
					 
						3340
					 
						60
					 
						40
					 
						6
					 
						3583
					 
						3577
					 
						218
					 
						22
					 
						190
					 
						1.4
					 
						22
					 
						3118.4
					 
						143
					 
						72.7
					 
						6700
					 
						HJN.50.3580A
					 
						1.4
					 
						25
					 
						3118.8
					 
						126
					 
						82.6
					 
						18
					 
						HJN.50.4030
					 
						4370
					 
						3690
					 
						240
					 
						4270
					 
						3790
					 
						66
					 
						40
					 
						6
					 
						4033
					 
						4027
					 
						218
					 
						22
					 
						190
					 
						1.4
					 
						22
					 
						3558.3
					 
						163
					 
						53.6
					 
						7700
					 
						HJN.50.4030A
					 
						1.4
					 
						28
					 
						3549
					 
						128
					 
						68.2
					 
						19
					 
						HJN.50.4540
					 
						4860
					 
						4210
					 
						240
					 
						4760
					 
						4310
					 
						72
					 
						40
					 
						6
					 
						4543
					 
						4537
					 
						218
					 
						22
					 
						190
					 
						1.4
					 
						22
					 
						4042.2
					 
						185
					 
						72.1
					 
						8760
					 
						HJN.50.4540A
					 
						1.4
					 
						30
					 
						4042.4
					 
						136
					 
						99.1
					
		
			
				 
			
					 
				
					 
				
DL
mm
					
					 
				
					 
				
					 
				
					 
				
					 
				
圓周力
					
					 
			
重量
kg
					
				 
			
					 
				
mm
					
					 
				
mm
					
					 
				
mm
					
					 
				
mm
					
					 
				
mm
					
					 
				
					 
				
					 
				
mm
					
					 
				
mm
					
					 
				
mm
					
					 
				
mm
					
					 
				
mm
					
					 
				
mm
					
					 
				
					 
				
mm
					
					 
				
mm
					
					 
				
					 
			
T 104N
					
				 
			
					 
				
					 
				
					 
				
					 
				
					 
				
					 
				
					 
				
					 
				
					 
				
					 
				
					 
				
					 
				
					 
				
					 
				
					 
				
					 
				
					 
				
					 
				
					 
				
					 
				
					 
			
				 
			
					 
				
					 
				
					 
				
					 
				
					 
				
					 
			
				 
			
					 
				
					 
				
					 
				
					 
				
					 
				
					 
				
					 
				
					 
				
					 
				
					 
				
					 
				
					 
				
					 
				
					 
				
					 
				
					 
				
					 
				
					 
				
					 
				
					 
				
					 
			
				 
			
					 
				
					 
				
					 
				
					 
				
					 
				
					 
			
				 
			
					 
				
					 
				
					 
				
					 
				
					 
				
					 
				
					 
				
					 
				
					 
				
					 
				
					 
				
					 
				
					 
				
					 
				
					 
				
					 
				
					 
				
					 
				
					 
				
					 
				
					 
			
				 
			
					 
				
					 
				
					 
				
					 
				
					 
				
					 
			
				 
			
					 
				
					 
				
					 
				
					 
				
					 
				
					 
				
					 
				
					 
				
					 
				
					 
				
					 
				
					 
				
					 
				
					 
				
					 
				
					 
				
					 
				
					 
				
					 
				
					 
				
					 
			
				 
			
					 
				
					 
				
					 
				
					 
				
					 
				
					 
			
				 
			
					 
				
					 
				
					 
				
					 
				
					 
				
					 
				
					 
				
					 
				
					 
				
					 
				
					 
				
					 
				
					 
				
					 
				
					 
				
					 
				
					 
				
					 
				
					 
				
					 
				
					 
			
				 
			
					 
				
					 
				
					 
				
					 
				
					 
				
					 
			
				 
			
					 
				
					 
				
					 
				
					 
				
					 
				
					 
				
					 
				
					 
				
					 
				
					 
				
					 
				
					 
				
					 
				
					 
				
					 
				
					 
				
					 
				
					 
				
					 
				
					 
				
					 
			
				 
			
					 
				
					 
				
					 
				
					 
				
					 
				
					 
			
				 
			
					 
				
					 
				
					 
				
					 
				
					 
				
					 
				
					 
				
					 
				
					 
				
					 
				
					 
				
					 
				
					 
				
					 
				
					 
				
					 
				
					 
				
					 
				
					 
				
					 
				
					 
			
				 
			
					 
				
					 
				
					 
				
					 
				
					 
				
					 
			
				 
			
					 
				
					 
				
					 
				
					 
				
					 
				
					 
				
					 
				
					 
				
					 
				
					 
				
					 
				
					 
				
					 
				
					 
				
					 
				
					 
				
					 
				
					 
				
					 
				
					 
				
					 
			
				 
			
					 
				
					 
				
					 
				
					 
				
					 
				
					 
			
				 
			
					 
				
					 
				
					 
				
					 
				
					 
				
					 
				
					 
				
					 
				
					 
				
					 
				
					 
				
					 
				
					 
				
					 
				
					 
				
					 
				
					 
				
					 
				
					 
				
					 
				
					 
			
				 
			
					 
				
					 
				
					 
				
					 
				
					 
				
					 
			
				 
			
					 
				
					 
				
					 
				
					 
				
					 
				
					 
				
					 
				
					 
				
					 
				
					 
				
					 
				
					 
				
					 
				
					 
				
					 
				
					 
				
					 
				
					 
				
					 
				
					 
				
					 
			
				 
			
					 
				
					 
				
					 
				
					 
				
					 
				
					 
			
				 
			
					 
				
					 
				
					 
				
					 
				
					 
				
					 
				
					 
				
					 
				
					 
				
					 
				
					 
				
					 
				
					 
				
					 
				
					 
				
					 
				
					 
				
					 
				
					 
				
					 
				
					 
			
				 
			
					 
				
					 
				
					 
				
					 
				
					 
				
					 
			
				 
			
					 
				
					 
				
					 
				
					 
				
					 
				
					 
				
					 
				
					 
				
					 
				
					 
				
					 
				
					 
				
					 
				
					 
				
					 
				
					 
				
					 
				
					 
				
					 
				
					 
				
					 
			
				 
			
					 
				
					 
				
					 
				
					 
				
					 
				
					 
			
				 
			
					 
				
					 
				
					 
				
					 
				
					 
				
					 
				
					 
				
					 
				
					 
				
					 
				
					 
				
					 
				
					 
				
					 
				
					 
				
					 
				
					 
				
					 
				
					 
				
					 
				
					 
			
				 
			
					 
				
					 
				
					 
				
					 
				
					 
				
					 
			
				 
			
					 
				
					 
				
					 
				
					 
				
					 
				
					 
				
					 
				
					 
				
					 
				
					 
				
					 
				
					 
				
					 
				
					 
				
					 
				
					 
				
					 
				
					 
				
					 
				
					 
				
					 
			
				 
			
					 
				
					 
				
					 
				
					 
				
					 
				
					 
			
				 
			
					 
				
					 
				
					 
				
					 
				
					 
				
					 
				
					 
				
					 
				
					 
				
					 
				
					 
				
					 
				
					 
				
					 
				
					 
				
					 
				
					 
				
					 
				
					 
				
					 
				
					 
			
				 
			
					 
				
					 
				
					 
				
					 
				
					 
				
					 
			
				 
			
					 
				
					 
				
					 
				
					 
				
					 
				
					 
				
					 
				
					 
				
					 
				
					 
				
					 
				
					 
				
					 
				
					 
				
					 
				
					 
				
					 
				
					 
				
					 
				
					 
				
					 
			
				 
			
					 
				
					 
				
					 
				
					 
				
					 
				
					 
			
				 
			
					 
				
					 
				
					 
				
					 
				
					 
				
					 
				
					 
				
					 
				
					 
				
					 
				
					 
				
					 
				
					 
				
					 
				
					 
				
					 
				
					 
				
					 
				
					 
				
					 
				
					 
			
				 
			
					 
				
					 
				
					 
				
					 
				
					 
				
					 
			
				 
			
					 
				
					 
				
					 
				
					 
				
					 
				
					 
				
					 
				
					 
				
					 
				
					 
				
					 
				
					 
				
					 
				
					 
				
					 
				
					 
				
					 
				
					 
				
					 
				
					 
				
					 
			
				 
			
					 
				
					 
				
					 
				
					 
				
					 
				
					 
			
				 
			
					 
				
					 
				
					 
				
					 
				
					 
				
					 
				
					 
				
					 
				
					 
				
					 
				
					 
				
					 
				
					 
				
					 
				
					 
				
					 
				
					 
				
					 
				
					 
				
					 
				
					 
			
				 
		
	
					 
				
					 
				
					 
				
					 
				
					 
				
					 
			
	注: 
1、n1為潤滑油孔數,均布:油杯M10×1 JB/T7940.1-JB/T7940.2. 
2、安裝孔n-Φ可改用螺孔;齒寬b可改為H-h。
3、表內齒輪圓周力為最大圓周力,額定圓周力取其1/2。
4、內齒變位系數均為+0.35。
聯系我們
 
			掃一掃查看更多信息